• 撸撸社软件下载免费版,撸撸社下载免费版,撸撸社污视频软件下载,香蕉视频撸撸社正版APP快速下载

    歡迎來到上海撸撸社软件下载免费版廣告有限公司企業官網! 本公司專業從事撸撸社下载免费版、撸撸社污视频软件下载設計/製作/安裝一站式服務...
    撸撸社下载免费版,撸撸社污视频软件下载-上海撸撸社软件下载免费版廣告有限公司
    企業新聞
    行業動態
    常見問題

    您現在的位置: 首頁 > 資訊動態

    企業新聞

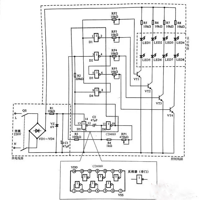
    上海撸撸社软件下载免费版邀你關注:LED廣告燈控製線路原理圖解

    編輯:上海撸撸社软件下载免费版 發布時間: 2019/11/20 瀏覽次數:3126
    今天上海撸撸社软件下载免费版邀你關注LED廣告燈控製線路原理圖解,供需要的你做個參考。 
    LED廣告燈控製線路是一種可用於小區庭院、馬路、景觀照明及裝飾用的線路。LED廣告燈控製線路是采用LED作為顯示設備的線路,通過邏輯門電路控製不同顏色的LED有規律地亮滅,起到廣告警示的作用。

    LED廣告燈控製線路主要是由供電線路、控製線路以及顯示線路等構成的。該線路中電源總開關QS、橋式整流電路VD1~VD4、六非門電路CD4069、驅動晶體三極管VT1~VT4、發光二極管LED1~LED8為核心元器件和部件。
    LED廣告燈控製線路的供電過程為:
    合上電源總開關QF,接通交流220 V市電電源。
    交流220 V 市電電壓經橋式整流電路VD1~VD4整流後輸出直流電壓,為顯示線路進行供電。
    整流輸出的直流電壓,經電阻器R1降壓、穩壓二極管VZ穩壓、濾波電容器C1濾波後,產生6 V直流電壓,為六非門電路C04069提供工作電壓(4腳送入)。
    LED廣告燈的工作過程為:
    六非門電路CD4069工作後,D5與D6兩個非門(反相放大器)與電容、電阻構成脈衝振蕩電路,由10腳和13腳輸出低頻振蕩信號。
    低頻振蕩脈衝加到CD4069的9腳,經電阻器R2後加到3腳上。
    由9腳輸人的振蕩信號經反相後,由8腳輸出,一路再送入1腳中。振蕩信號經4個非門的處理分別由2,4,6,8腳輸出相位和時序不同的脈衝信號,並分別加到VTI~VT4的基極。當有正極性脈衝加到晶體三極管基極時,該管便會導通,相應的LED便會點亮發光,從而形成有規律的閃光。
    六非門電路CD4069的5腳輸入的振蕩信號經反相後由6腳輸出(此時輸出的振蕩信號與4腳輸出的相反)。
    振蕩信號經電位器RP5送往驅動晶體三極管VT4的基極,使VT4工作在開關狀態,從而交替導通。
    振蕩信號為高電平時VT4導通,發光二極管LED4和LED8便會發光;振蕩信號為低電平時VT4截止,發光二極管LED4和LED8·便會熄滅。此時LED3和LED7、LED4和LED8在振蕩信號的作用下,便會交替地點亮和熄滅。
    撸撸社软件下载免费版不僅能為你設計撸撸社污视频软件下载、撸撸社下载免费版,還能為你製作LED廣告燈哦!上海撸撸社软件下载免费版廣告有限公司http://www.byblzp.com/是一家專注於撸撸社下载免费版係列產品生產,以超高亮樹脂字、撸撸社下载免费版、港式工藝精工字、樓宇亮化工程等廣告製品為主營,集設計、製作為一體的技術型企業。提供從規劃設計、 生產製作、 安裝維護一體化的綜合配套服務。主要產品包括:戶內外門頭發光字、形象牆精品發光字、櫥窗精工金屬字、迷你發光字、立體發光字、 LED燈箱等。具體可以根據你的需要定製,撸撸社软件下载免费版廣告歡迎您的光臨!
    < > 返回列表

    服務熱線

    15900993853

    微信服務號

    網站地圖